Zer da desortzio-sistema elektrolitiko bat eta zergatik da ezinbestekoa urrea erauzketa modernorako

2026-04-21 - Utzi mezu bat

TheDesortzio-sistema elektrolitikoateknologia erabakigarria da urrearen erauzketa modernoan, bereziki karbono-orea (CIP) eta karbono-lixibiatze (CIL) prozesuetan. Blog honek sistemak nola funtzionatzen duen aztertzen du, bere osagaiak, abantailak eta zergatik bihurtu den urrearen berreskuratze eraginkorrean estandar bat. Enpresek nola gustatzen zaizkien ere nabarmentzen duguEPIKOAarlo honetan berrikuntza bultzatzen ari dira. Amaieran, sistema honek produktibitatea nola hobetzen duen, kostuak murrizten dituen eta berreskuratze tasak nola hobetzen dituen ulertuko duzu.

Desorption Electrolytic System

Aurkibidea


Zer da desortzio-sistema elektrolitiko bat

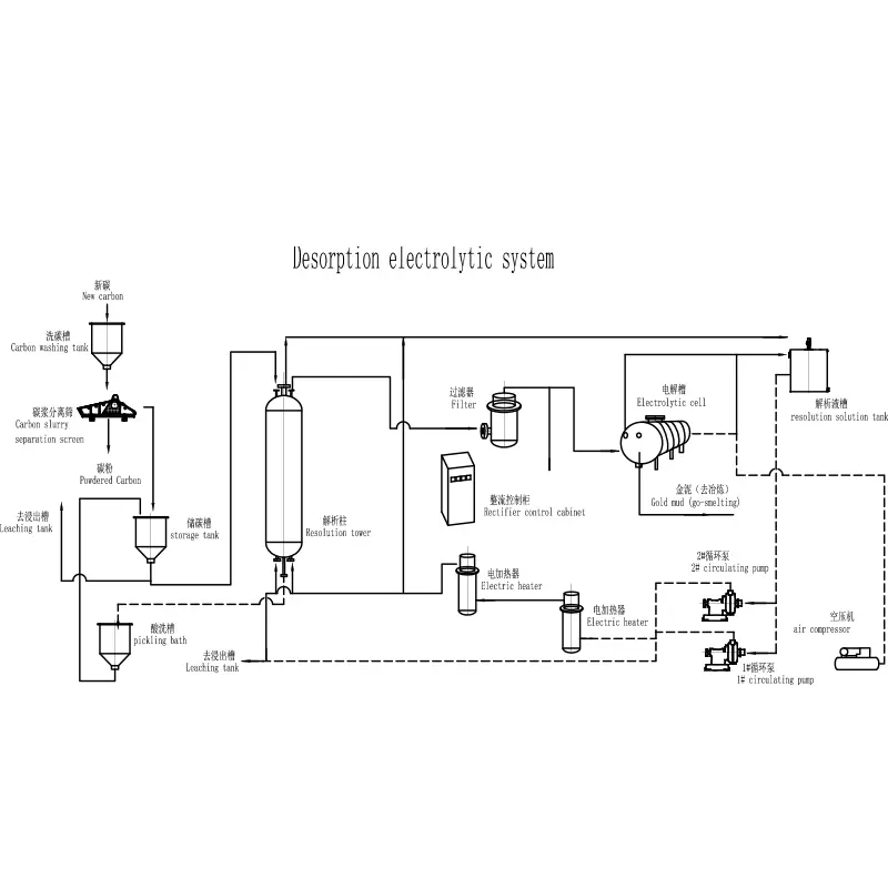
A Desortzio-sistema elektrolitikoaikatz aktibotik urrea ateratzeko erabiltzen den urrea berreskuratzeko sistema aurreratu bat da. Askotan aplikatzen da meatze-eragiketetan, non urrea karbono partikulen gainean xurgatzen den lixibiazio-prozesuan.

  • Desortzioa: urrea karbonotik kentzen du tenperatura altuko eta presio handiko soluzioak erabiliz
  • Elektrolisia: disoluziotik urrea berreskuratzen du katodoetara
  • Begizta itxiko sistema: eraginkortasuna eta galera minimoa bermatzen du

Sistema hau ezinbestekoa da berreskuratze-eraginkortasuna hobetzeko eta kostu operatiboak murrizteko, oinarrizko osagai bihurtuz urrea prozesatzeko planta modernoetan.


Nola funtzionatzen du desortzio-sistema elektrolitiko batek

a-ren lan-printzipioaDesortzio-sistema elektrolitikoabi fase nagusi hartzen ditu:

  1. Desortzio fasea:Urrez kargatutako karbonoa zianuro disoluzio alkalino bero batekin tratatzen da, urre ioiak askatuz.
  2. Elektrolisi fasea:Urrean aberatsa den disoluzioa zelula elektrolitiko batetik pasatzen da, non urrea altzairuzko artile-katodoetan metatzen den.

Prozesuak eraginkortasun handia bermatzen du eta etengabeko funtzionamendua ahalbidetzen du, horregatik enpresen sistemak atsegin dituzteEPIKOAoso zabalduta daude industria-aplikazioetan.


Sistemaren osagai nagusiak

Osagaia Funtzioa
Desortzio-zutabea Ikartz aktibatuari eusten dio eta urrea kentzea errazten du
Zelula Elektrolitikoa Urrea berreskuratzen du elektrolisiaren bidez
Bero-trukagailua Beharrezko tenperatura mantentzen du
Iragazki-sistema Disoluziotik ezpurutasunak kentzen ditu
Kontrol Sistema Funtzionamendua automatizatzen du eta parametroak kontrolatzen ditu

Osagai bakoitzak ezinbesteko zeregina du sistemak eraginkortasunez eta koherentziaz funtziona dezan.


Abantaila eta Ezaugarri Teknikoak

  • Urrea berreskuratzeko tasa altua (% 98 arte)
  • Energia-kontsumo txikia
  • Funtzionamendu automatizatua lan kostuak murrizteko
  • Diseinu trinkoa espazioaren eraginkortasunerako
  • Ingurumena errespetatzen duena isurketa minimoekin

Fabrikatzaileek atsegin duteEPIKOAetengabe optimizatu sistema hauek industriaren eboluzioan dauden eskaerei erantzuteko, errendimendu eta fidagarritasun hobea bermatuz.


Urrearen prozesamenduan aplikazioak

TheDesortzio-sistema elektrolitikoaoso erabilia da:

  • Urrezko meatzaritza plantak
  • CIP (Carbon-in-Pulp) eragiketak
  • CIL (Carbon-in-Leach) prozesuak
  • Urre-hondarrak berreskuratzea

Bere aldakortasunari esker, eskala handiko industria-meatzaritzarako eta eraginkortasun hobekuntzak bilatzen dituzten eragiketa txikiagoetarako egokia da.


Metodo tradizionalekin alderatzea

Ezaugarri Desortzio-sistema elektrolitikoa Metodo Tradizionalak
Eraginkortasuna Alta Moderatua
Automatizazioa Guztiz automatizatua Eskuzko edo erdi-automatizatua
Kostua Epe luzerako kostu txikiagoa Kostu operatibo handiagoa
Ingurumen-eragina Baxua Gorago

Bistan denez, sistema modernoak abantaila handiak ematen ditu urre berreskuratzeko tekniken aldean.


Erosleentzako aukeraketa gida

a aukeratzerakoanDesortzio-sistema elektrolitikoa, kontuan hartu faktore hauek:

  • Prozesatzeko ahalmena
  • Automatizazio maila
  • Energia-eraginkortasuna
  • Fabrikatzailearen ospea (adibidez, EPIC)
  • Salmenta osteko laguntza

Sistema egokia hautatzeak epe luzerako arrakasta operatiboa eta inbertsioaren etekin maximoa bermatzen ditu.


Mantentze eta funtzionamendurako aholkuak

  • Aldian-aldian ikuskatu hodiak eta balbulak
  • Kontrolatu tenperatura eta presio mailak
  • Garbitu zelula elektrolitikoak aldizka
  • Ordeztu higatuta dauden osagaiak berehala
  • Jarraitu zorrozki fabrikatzailearen jarraibideak

Mantentze egokiak sistemaren iraupena nabarmen luzatzen du eta errendimendu koherentea bermatzen du.


Ohiko galderak

1. Zein da Desortzio Elektrolitiko Sistema baten helburu nagusia?

Bere helburu nagusia ikatz aktibotik urrea erauzi eta berreskuratzea da.

2. Zein eraginkorra da sistema?

Sistema gehienek % 95etik gorako urrea berreskuratzeko tasa lortzen dute, funtzionamendu-baldintzen arabera.

3. Sistema ingurumena errespetatzen al da?

Bai, sistema modernoak isurketak minimizatzeko eta hondakin kimikoak murrizteko diseinatuta daude.

4. Pertsonalizatu al daiteke?

Bai, EPIC bezalako enpresek soluzio pertsonalizagarriak eskaintzen dituzte prozesatzeko eskakizunetan oinarrituta.

5. Zein industriak erabiltzen dute sistema hau?

Batez ere urre meatzaritza industria, baina baita metal preziatuak berreskuratzeko aplikazioetan ere.


Ondorioa

TheDesortzio-sistema elektrolitikoaurrea berreskuratzeko teknologian aurrerapauso bat adierazten du, eraginkortasun, fidagarritasun eta ingurumen-errendimendu paregabeak eskainiz. Hala nola, industria liderren etengabeko aurrerapenekinEPIKOA, sistema hau gero eta funtsezkoagoa da meatze-eragiketa modernoetarako. Zure urrea erauzteko prozesua optimizatu eta errentagarritasuna hobetu nahi baduzu, kalitate handiko sistema batean inbertitzea aukera adimenduna da.Jar zaitez gurekin harremanetangaur zure beharretara egokitutako irtenbideak nola eman ditzakegun jakiteko.

Bidali kontsulta

X
Cookieak erabiltzen ditugu nabigazio esperientzia hobea eskaintzeko, guneko trafikoa aztertzeko eta edukia pertsonalizatzeko. Gune hau erabiltzean, gure cookieen erabilera onartzen duzu. Pribatutasun politika