Desorzio sistema elektrolitikoa
  • Desorzio sistema elektrolitikoa Desorzio sistema elektrolitikoa

Desorzio sistema elektrolitikoa

Fabrikatzaile profesionaletako bat denez, Epic-ek kalitate handiko desorzio sistema elektrolitikoa eskaini nahi dizu. Eta salmenta osteko zerbitzu onena eta entrega puntuala eskainiko dizkizugu.

Bidali kontsulta

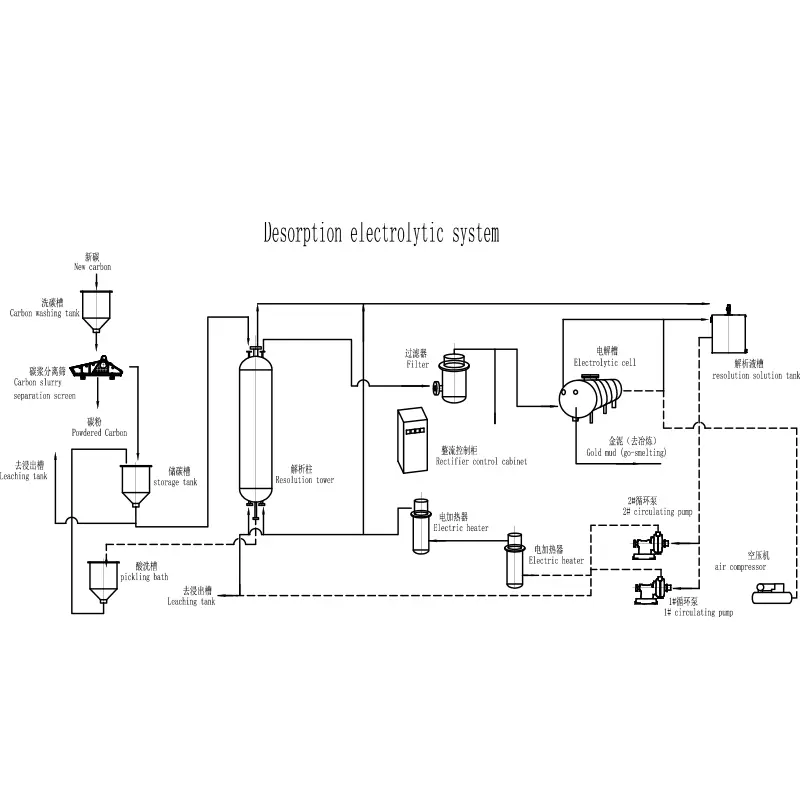
Produktuaren Deskribapena

Fabrikatzaile trebea izanik, Epic-ek desorzio sistema elektrolitikoa eskaintzea du helburu. Salmenta osteko laguntza eta entrega azkarra eskaintzea agintzen dugu. Anion karbonoen adsortzioaren desorzio sistemaren arabera, AU (CN) 2 "gehitzeko, hondoratzea, urrearen desorantzaz jabetu. Urrezko karbonoaren desorzioaren bidez lortutako likidoa urre sendoa lortzeko ionizazioak berreskuratzen du. Ekipamenduak karaktereak lortzeko. Ekipamenduak

1, tenperatura altua, presio altua, zianuro ez, desorzio kontrol automatikoa, eraginkortasun handia, arku kontsumoa, azkarra

Ezaugarriak: 

A.High Eraginkortasuna: urre kargatutako karbono kalifikazioa 3000 g / t lortzen denean, desortzio-tasa% 96 baino gehiago iritsi daiteke eta karbono kalifikazioa 3-4 aldiz berriro desagertu daiteke.

Gailua:

B.Fast: Desorption Elektrolisi tenperatura 150 ℃ (30-55 ℃ beste modelo batzuk baino handiagoa izan daiteke) sistemaren presioa 0,5mpa arte (0,2-0,5MPA baino handiagoa izan daiteke), beraz, desorzio elektrolisia denbora oso azkarra da, orokorrean 12 h, ia 12 h, laburtu ia 

3 aldiz.

2. Ez dago zianuroik: Desorzio irtenbideak ez du sodio zianuroa gehitu behar, kostu baxua, ez kutsadurarik:

3, goi mailako urrezko lokatza, ez da beharrezkoa elektrolisia, erauzketa erraza;

4, Kontrol automatikoa: Ezarri likido-maila kontrol sistema, tenperatura kontrolatzeko sistema eta kontrol sistema automatikoa;

5, Segurtasuna: segurtasuna babesteko neurri hirukoitzarekin, hots, sistema bera da presioaren askapenaren mekanismoa, aseguruaren segurtasun-balbula mugatzeko.

Hot Tags: Desorzio sistema elektrolitikoa
Bidali kontsulta
Mesedez, eman lasai zure kontsulta beheko formularioan. 24 ordutan erantzungo dizugu.
X
Cookieak erabiltzen ditugu nabigazio esperientzia hobea eskaintzeko, guneko trafikoa aztertzeko eta edukia pertsonalizatzeko. Gune hau erabiltzean, gure cookieen erabilera onartzen duzu. Pribatutasun politika