Nola hobetzen du zianuratze-ekipoak urrea berreskuratzea eta gunearen segurtasuna?

2026-01-08 - Utzi mezu bat

Inoiz zianurazioa "eraginkorra, baina estresagarria" dela sentitu baduzu, ez duzu imajinatzen ari. Kimikak funtzionatzen du; hala ere, eguneroko errealitatea nahasia izan daiteke: mineral aldakorra, erreaktiboen gehiegizko gastua, karbono galerak, ustekabeko geldialdi denborak eta segurtasunez eta koherentziaz funtzionatzeko etengabeko presioa. Artikulu honek hausten du zerZianuratze-ekipoakbenetan egin beharko luke zuregatik, zer eskatu erosi aurretik eta nola akats garestienak saihestu.


Abstraktua

ModernoaZianuratze-ekipoakez da depositu multzo bat soilik, lixibiazio-baldintzak kontrolatzeko, berreskurapena egonkortzeko, erreaktiboen hondakinak murrizteko eta zianuroaren manipulazioa aurreikusteko diseinatutako sistema bat da. Erosleek normalean lau min-punturekin borrokatzen dute: koherentziarik gabeko berreskurapena, funtzionamendu-kostu handia, segurtasun-kontrol ahulak eta mantentze buruko minak. Jarraian, zianuratze-moduluen (lixibiazioa, adsortzioa, desortzioa/elektroirabaziak, desintoxikazioa eta tresneria) ikuspegi praktikoa izango duzu, landare-zoruan, aukeraketa-matrize bat, martxan jartzeko aholkuak eta hornitzaileen elkarrizketetan erabil dezakezun FAQ atala.


Aurkibidea


Eskema Begirada batean

  • Itzuli "zianurazioa behar dut" ekipamendu-esparru oso eta kontrolagarri batera.
  • Identifikatu zein modulu eragiten dituen zure galerak (berreskuratzea, erreaktiboa, karbonoa edo geldialdi-denbora).
  • Erabili matrize sinple bat zure mineral motaren eta murrizketen soluzioak alderatzeko.
  • Sar zaitez hornitzaileen bileretara diseinu ahulak azkar azaltzen dituen kontrol-zerrenda batekin.

Benetako erosleen mina puntuak

Jendeak erosketak egiten ditueneanZianuratze-ekipoak, askotan esaten dute "suspertze handiagoa behar dut". Esan nahi dutena zera da: "Mea aldatzen denean, operadoreek biraka egiten duten eta gunea urrun dagoenean ere altu mantenduko den berreskurapena behar dut". Hona hemen behin eta berriz agertzen diren minak:

  • Suspertzeko kulunkamea aldakortasunak, ehotzeko arazoak, oxigeno-mugak edo pH-aren kontrol txarrak eragindakoa.
  • Erreaktiboen kostuen igoerazianuroa edo karea gaindositik "seguru izateko".
  • Karbono arazoakhala nola, zikintzea, higadura-galera edo adsortzio-zinetika txarra.
  • Atsedenaldiaponpa/balbulen hutsegiteetatik, minda urratzaileen higaduragatik edo sarbide zailak diren diseinuetatik.
  • Segurtasun estresazianuroa biltegiratzeko, dosifikatzeko eta larrialdietarako erantzunerako prestutasunaren inguruan.

Ekipoen diseinu onak ez du konplexutasun guztia kentzen, baina asmakizunak kendu beharko lituzke.


Zer barne hartzen du "Zianuratze-ekipoak".

Cyaniding Equipment

Gutxienez,Zianuratze-ekipoakfuntzio hauek onartzen dituen sistema gisa ulertu behar da:

  • Lixibiatzea: disoluziorako denbora, nahasketa eta kimika kontrola ematea.
  • Urrezko harrapaketa: ikatz aktiboaren (CIP/CIL) edo prezipitazio bideetan adsortzioa.
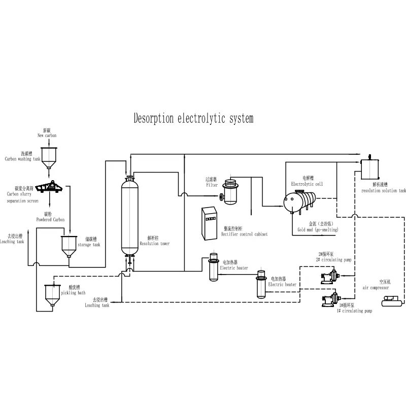
  • Urrearen berreskurapena: desortzioa eta elektroirabaziak (edo berreskuratzeko zirkuitu alternatiboak).
  • Desintoxikazioak eta hondarrak maneiatzea: hondar zianuroa maila onargarrietara murriztea.
  • Tresneria eta kontrola: pH-a, disolbatutako oxigenoa, emaria eta dosifikazioa neurtu eta egonkortu.

Hornitzaile batek "tankei" buruz bakarrik hitz egiten badu, bultzatu emaria osoa eta kontrol-puntuak definitzera. Zianurazioa barkatzen da laborategiko baldintzetan; ez da barkatzen eremu kaotikoetan.


Oretik Dorera Prozesuaren Mapa Argia

Landare guztiak desberdinak diren arren, zianurazio bide gehienek bizkarrezurra ezagutzen dute. Erabili mapa hau proposatutako pakete bat osatuta dagoen egiaztatzeko:

Etapa Lortu Behar Dena "Ezkutuko" arrisku tipikoa
Aurre-tratamendua (beharrezkoa den moduan) Egin urrea eskuragarria eta saihestu zianuroaren kontsumoaren pikorrak Haurdun lapurreta, kobre altua edo sulfuro erreaktiboak alde batera utzita
Lixibiatzea Nahasketa egonkorra, pH kontrolatua eta oxigeno nahikoa Zona hildakoak, oxigeno-transferentzia eskasa, pH irregularra kare-sistema ahuletik
Adsortzioa (CIL/CIP) Harrapatu disolbatutako urrea modu eraginkorrean Karbonoaren tamaina/transferentzia metodo okerra; karbono-galerak
Eluzioa / Desortzioa Kendu urrea karbonotik fidagarritasunez Berokuntza/fluxu ez-koherenteak kentzeko eraginkortasun baxua dakar
Elektroirabaziak / Galdaketa Doré berreskuratu eta ekoitzi Tamaina gutxiko zelulak, elektrolitoen kudeaketa txarra, lohiak maneiatzeko arazoak
Desintoxikazioa Murriztu hondar zianuroa isuri aurretik Diseinua ez dator bat fluxuaren aldakortasunarekin edo isilen kimikarekin

Funtsezko moduluak eta zer egiaztatu

1) Lixibiatzeko deposituak eta asaldura

  • Nahastearen diseinua egokia al da zure minda-dentsitaterako eta urragarritasunerako?
  • Sistemak pH egonkorra mantendu al dezake mea aldakortasunean?
  • Oxigenoa gehitzea praktikoa al da zure gunean (eta oxigeno-transferentzia kontuan hartzen da diseinuan)?
  • Diseinuak bultzagailuak, atorrak eta errodamenduak erraz ikuskatzeko aukera ematen du?

2) Karbonoaren adsortzioa eta transferentzia

  • Etapa arteko pantailak nahikoa sendoak al dira karbono-garraioa ekiditeko?
  • Karbono-transferentzia hausturak eta galerak murrizteko diseinatuta al dago?
  • Garbiketa eta karbono-inbentarioa kontrolatzeko errespetua al da diseinua?

3) Desortzioa eta elektroirabaziak

  • Eluzio-zirkuitua bat dator zure karbono-kargaren itxaropenak?
  • Egonkor al dira berokuntza eta emaria kontrolak (ez "operadoreen menpe")?
  • Lohien manipulazioa planifikatu al da, ez inprobisatua?

4) Zianuroaren dosifikazioa eta neurketa

  • Dosifikazioa interblokeoekin automatizatua al da edo eskuzko hutsa?
  • Zein da kalibrazio eta sentsoreen mantentze-plana meategiko benetako ingurune batean?
  • Laginketa-puntuak seguruak eta ondo kokatuak al dira, ala ustekabekoa?

5) Desintoxikazioa

  • Desintoxikazioaren diseinua zure isurketa-helburuetan eta hondakinen kimikan oinarritzen al da?
  • Epe laburreko puntuak kudeatu ditzake ixtea behartu gabe?

Aholku praktikoa:Paperean merkeagoa dirudien proposamen batek kostua eragiketetara bultzatzen du maiz: zianuro gehigarria, kare gehigarria, mantentze-lan gehigarria eta operadoreen portaera "heroikoagoa". Faktura beranduago iristen da.


Tamaina eta zehaztapenaren oinarriak

Ez duzu metalurgia izan behar zure aurrekontua babesten duten tamainako galderak egiteko. Izan ereZianuratze-ekipoak, core dimentsionatzeko logika errendimenduaren, egoitza-denboraren eta masa-transferentziaren inguruan biratzen da. Azken diseinua onartu aurretik, ziurtatu sarrera hauek esplizituki adierazita daudela:

  • Diseinuaren errendimendua(batez bestekoa eta gailurra, gehi espero den urtaroen aldakortasuna).
  • Helburua ehotzeko tamainaeta zer gertatzen da errota larriago noraezean.
  • Lixibiatzeko egoitza-denboraeta probetan edo hipotesietan oinarritzen den.
  • pH eta alkalinitate plana(kararen prestaketa eta dosifikazio-egonkortasuna barne).
  • Oxigenoaren estrategia(airea, oxigenoa edo bat ere ez) eta zinetikan espero den eragina.
  • Karbonoaren inbentarioa(zenbat karbono, non kokatzen den eta nola kontrolatzen den).

Hornitzaile batek ezin baditu hauek hizkuntza arruntean azaldu, trata ezazu arrisku-seinale gisa, ez teknikotasun gisa.


Segurtasuna eta zianuroaren kontrola benetan eusten duena

Segurtasuna ez da horman kartel bat. Zianurazioarekin, diseinu fisikoan eta ohiko kontrolean sartzen da. IndartsuaZianuratze-ekipoakpaketeek normalean honako hauek dituzte:

  • Biltegiratzea eta transferentzia edukiaisurketa-bide argiekin eta bundding logikarekin.
  • Dosifikazio interblokeatuaberaz, ezin da zianuroa gehitu funtsezko baldintzak betetzen ez direnean.
  • Laginketa diseinu argiaohiko kontroletan esposizio arriskua murrizten duena.
  • Larrialdietarako presttasunaeragiketa-prozedura-multzoaren zati gisa, ez dokumentu gehigarri bat.

Eroslearen ikuspegitik, zure lana erraza da: behartu proposamena jendeak sistemarekin nola elkarreragiten duen erakustera. Non daude? Zer ukitzen dute? Nola isolatzen dituzte ekipoak? Nola erantzuten dute 02:00etan ponparen zigiluen hutsegiteari?


Funtzionamendu kostuak benetan nondik datozen

Zure ontzako kostua gora egiten ari bada, normalean ez da hutsegite ikaragarri bat izaten; sistemaren ihes txikiak dira konposatu hori. Zianurazioan, kostuen eragile ohikoenak hauek dira:

  • Zianuroaren kontsumoamineral erreaktiboak, gaindosi ohiturek edo kontrol-begizta eskasek bultzatuta.
  • Karearen kontsumoapH-aren kontrola ezegonkorra denean edo minda-kimika ondo ulertzen ez denean.
  • Karbono-galerahigadura, pantaila-arazoak edo transferentzia-diseinu txarraren bidez.
  • Potentzia eta mantentze-lanakgehiegizko asalduratik, gutxiegi diseinatutako higadura-piezetatik eta zerbitzu zailak diren diseinuetatik.
Sintoma Litekeena da Erro kausa Laguntzen duen ekipamenduaren ezaugarria
Berreskuratzea jaisten da minerala aldatzen denean pH/DO ezegonkortasuna; nahasketa txarra; bizileku denbora nahikoa ez izatea Asaldura sendoa, kontrol-tresneria hobea, deposituaren edukiera malgua
Zianuroaren gastuak gora egiten jarraitzen du Gehiegizko dosia; zianuro asko kontsumitzen duten mineralak; neurketa txarra Dosifikazio kontrolatua, laginketa-puntu fidagarriak, interblokeo adimentsuak
Karbonoaren inbentarioa "misterioki" txikitzen da Pantailaren akatsak; transferentzia-galerak; higadura Etapa arteko pantaila iraunkorrak, transferentzia diseinu leuna, karbonoaren kontabilitatea argia
Maiz geldialdiak Higadura-piezak, ponparen zigilatzea, sarbide-arazoak Higadura erresistenteak diren materialak, mantentzerako sarbidea, ordezko normalizatuak

Fidagarritasuna eta Mantentze-Diseinua

Cyaniding Equipment

Zianurazio-zirkuitu batek "osoa" izan dezake eta oraindik fidagarria izan daiteke mantentze-lanak diseinatu ez badira. Galdetu hornitzailea nola hurbiltzen den:

  • Materialen aukeraketaminda urratzaileen guneetarako eta zianuroarekin harremana duten guneetarako.
  • Sarbideapantailetara, bultzagailuetara, atorrerara, ponpetara eta tresneriara.
  • Ordezko piezen estrategiazure gunearen errealitatearekin bat datorrena (epeak, logistika, biltegiratzea).
  • Normalizazioahigadura-elementu berezien kopurua murrizteko.

Urruneko eragiketetan, "mantentze-errazak" balio handiagoa izan dezake "paperean zertxobait eraginkorragoa" baino.


Hornitzaileei galdetu beharko zenituzkeen galderak

Erabili kontrol-zerrenda hau bileretan. Proposamen ahulak azkar azaleratzeko diseinatuta dago, elkarrizketa eztabaida bihurtu gabe.

  • Zein mea-arrisku hartzen dira kanpoan, eta zeinentzat aktiboki diseinatuta daude?
  • Zeintzuk dira diseinu-sarrerak egoitza-denborarako, pH-tarterako eta oxigeno estrategiarako?
  • Nola kontrolatzen da zianuroaren dosifikazioa, eta zer gertatzen da sentsorearen hutsegiteetan?
  • Nola prebenitzen eta neurtzen da karbono-galera ohiko eragiketetan?
  • Zein da pantaila, agitadore eta ponpen mantentze-sarbide-plana?
  • Zeintzuk dira txanda bakoitzeko operadoreen egiaztapenak gomendatzen direnak, eta nola egiten dira seguru?
  • Zer abian jartzeko laguntza sartzen da, eta zer prestakuntza ematen da operadorea?

Saltzaileak ebaluatzen ari bazara, zianurazio pakete osoa hornitu eta integrazioaren xehetasunak onartzen dituen fabrikatzaile batekin hitz egitea lagun dezake. Adibidez, Qingdao EPIC Mining Machinery Co., Ltd.meatzaritza prozesatzeko ekipoen irtenbideak eskaintzen ditu, non zianurazio paketeak sistematzat hartzen diren —lixibiazioa, adsortzioa, berreskurapena eta kontrola—, deskonektatutako depositu multzo bat baino.


Ohiko galderak

Zerk egiten du Zianuratze Ekipamendua oinarrizkoa baino "modernoa"?

Diseinu modernoak kontrolagarritasuna eta errepikakortasuna ditu ardatz: dosifikazio egonkorra, neurketa fidagarria, laginketa seguruagoa, higadura babes sendoa eta operadorearen inprobisazioa murrizten duten diseinuak. Helburua koherentea berreskuratzea da erreaktibo hondakin gutxiagorekin eta itzalaldi gutxiagorekin.

Zianuratze-ekipoak maila baxuko minerala modu ekonomikoan kudeatu al dezake?

Baliteke, baina zirkuitua zure zinetikaren eta kontsumoaren profilaren inguruan diseinatuta dagoenean bakarrik. Kalifikazio baxuko eragiketak erreaktiboen gehiegizko gastuarekin eta geldialdiarekin sentikorrak izan ohi dira, beraz, kontrol-sistemak, higadura-diseinua eta karbonoaren kudeaketa bereziki garrantzitsuak dira.

Nola jakin dezaket CIP edo CIL behar dudan?

Aukera izan ohi da lixibiazioaren zinetikaren eta disolbatutako urrea nola azkar harrapatu behar den. Urrea azkar desegiten bada eta berehala harrapatzea nahi baduzu, CIL erakargarria izan daiteke. Lixibiatzeak adsorbitu aurretik bereizketari mesede egiten badio, CIP hobeto molda daiteke. Saiakuntza metalurgikoak eta gune praktikoen mugak erabaki beharko lukete.

Zergatik igotzen da batzuetan zianuroaren kontsumoa bat-batean?

Ohiko arrazoiak mineralen aldaketak, pH-aren kontrol txarra, ustekabeko oxigeno-mugatzea edo prozesuko urak kutsatzea dira. Kontrol-plan on batek eta laginketa-puntu fidagarri batek erpin hauek diagnostikatzeko eta azkar zuzentzeko errazten du.

Zer eman behar dut lehentasuna nire webgunea urrunekoa eta langile gutxikoa bada?

Lehenetsi eskuzko manipulazioa murrizten duen mantentze-gaitasuna eta automatizazioa: pantaila iraunkorrak, ekipoen diseinu eskuragarria, ordezko estandarizatuak, dosifikazio interblokeatua eta "operadore aditu bakarrean" oinarritzen ez diren funtzionamendu errutina argiak.


Itzultzea

ErosteaZianuratze-ekipoakazken finean, ziurgabetasuna murriztea da. Kimika frogatuta egon daiteke, baina zure errentagarritasuna kontrol koherentearen, mantentze praktikoaren eta benetako pertsonekin benetako txandetan lan egiten duen segurtasunaren araberakoa da. Planta berri bat planifikatzen ari bazara edo lehendik dagoen zirkuitu bat berritzen ari bazara, jarri zure mea-errealitateak, errendimendu-helburuak eta gune-murrizketak mahai gainera, eta zianurazioa sistema kontrolagarri eta oso gisa tratatzen duen proposamen batean azpimarratu.

Zure zianurazio plana eragiketa fidagarri eta egonkor bihurtzeko prest?Partekatu zure mineral mota, xede-ahalmena eta gunearen baldintzak, etajarri gurekin harremanetanZure planta eta zure operadoreei egokitzen den ekipoen konfigurazio praktiko bati buruz eztabaidatzeko.

Bidali kontsulta

X
Cookieak erabiltzen ditugu nabigazio esperientzia hobea eskaintzeko, guneko trafikoa aztertzeko eta edukia pertsonalizatzeko. Gune hau erabiltzean, gure cookieen erabilera onartzen duzu. Pribatutasun politika